Внимание! Размещенный на сайте материал имеет информационно - познавательный характер, может быть полезен студентам и учащимся при самостоятельном выполнении работ и не является конечным информационным продуктом, предоставляемым на проверку.
Гидравлика → Гидравлика, гидромашины и гидропривод решение задач под ред. Некрасова → Гидростатика
Артикул: некр1.35
Автор решения: admin
Задача 1.35. Определить нагрузку на болты крышек А и Б гидравлического цилиндра диаметром D = 160 мм, если к плунжеру диаметром d=120 мм приложена сила F = 20…
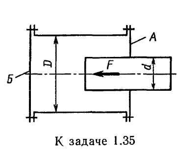
Задача 1.35. Определить нагрузку на болты крышек А и Б гидравлического цилиндра диаметром D = 160 мм, если к плунжеру диаметром d=120 мм приложена сила F = 20 кН.
Цена: 50.00р.
Часть готового решения

миниатюра
Цена: 50.00р.



