Гидравлика → Гидравлика, гидромашины и гидропривод решение задач под ред. Некрасова → Гидроприводы
Артикул: некр6.25
Автор решения: admin
Задача 6.25. Насос 1 гидросистемы продольной подачи стола металлорежущего станка нагнетает масло (р = 900 кг/м3) из бака 2 через фильтр 3 и распределитель 4 к цилиндру…
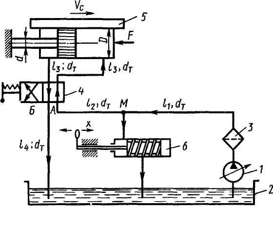
Задача 6.25. Насос 1 гидросистемы продольной подачи стола металлорежущего станка нагнетает масло (р = 900 кг/м3) из бака 2 через фильтр 3 и распределитель 4 к цилиндру, корпус которого жестко связан со столом 5. Скорость движения стола устанавливается перемещением рукоятки линейного винтового дросселя 6, а направление движения зависит от положения распределителя 4 (принять положение А). Режим течения во всех трубах ламинарный. Определить величину смещения рукоятки х и мощность, потребляемую насосом, если даны: характери¬стика насоса QH = f(pH); скорость движения стола vc = 2 см/с; усилие резания F = 5 кН; диаметры: цилиндра D = 50 мм; штока d = 25 мм; трубопроводов dT = 6 м; длины l1 = 3 м; l2 = l3 = 2 м; l4 = 3 м; lф = 400 dT ; lр = 100dT; v = = 0,3 Ст; к.п.д. насоса 0,85.
Сопротивление каждого канала распределителя выражено эквивалентными длинами трубопровода lр; фильтра lф; для дросселя lдр (р — коэффициент пропорциональности).
Характеристика насоса:
Q, л/с . . . .0 0,1 0,11 рн МПа . . .4,0 3,0 0
Цена: 200.00р.
Часть готового решения

первая страница (всего 5 страниц+чертеж)
Цена: 200.00р.



