Внимание! Размещенный на сайте материал имеет информационно - познавательный характер, может быть полезен студентам и учащимся при самостоятельном выполнении работ и не является конечным информационным продуктом, предоставляемым на проверку.
Гидравлика → Гидравлика, гидромашины и гидропривод решение задач под ред. Некрасова → Гидроприводы
Артикул: некр6.48
Автор решения: admin
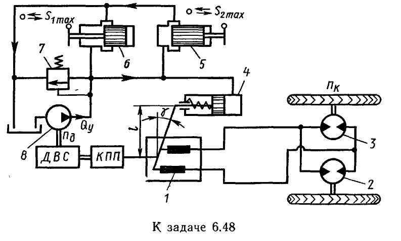
Задача 6.48. Объемная гидравлическая трансмиссия трактора состоит из аксиально-поршневого насоса 1, приводимого от вторичного вала коробки переключения передач (КПП), и…
Задача 6.48. Объемная гидравлическая трансмиссия трактора состоит из аксиально-поршневого насоса 1, приводимого от вторичного вала коробки переключения передач (КПП), и двух гидромоторов 2 и 3, связанных с ведущими колесами. Управление скоростью движения происходит за счет изменения угла у наклона диска насоса 1. Система управления скоростью движения трактора состоит из следующих агрегатов: регулятора 4, поршень которого связан с наклонным диском насоса 1; регулируемых гидродросселей 5 и 6, запорно-регулирующие элементы которых связаны...
Цена: 200.00р.



